
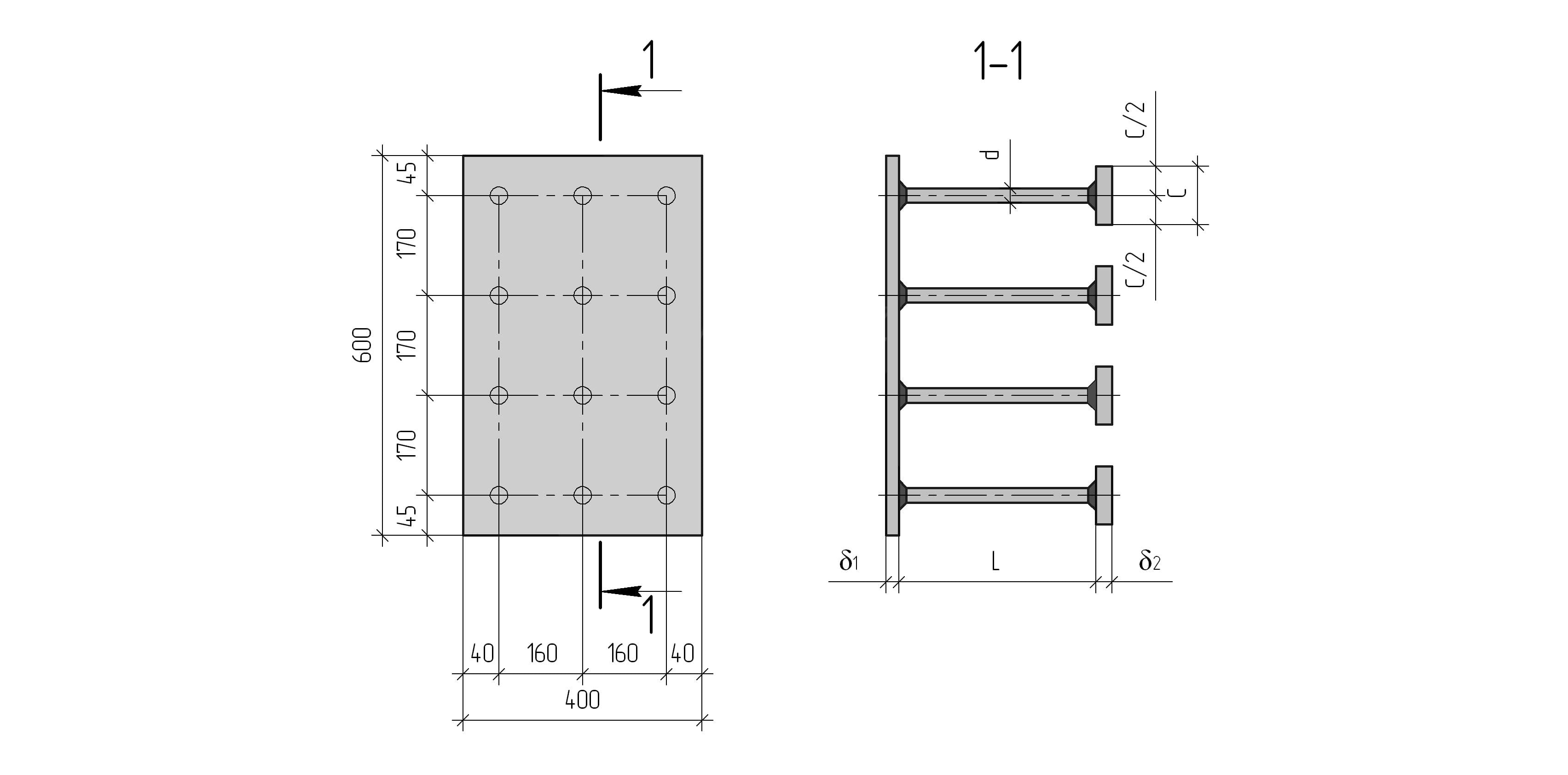
Закладные детали МН 163 и МН 164 по серии 1.400-15 – это металлические элементы, устанавливаемые в конструкции для соединения сборных и сборно-монолитных железобетонных конструкций между собой и с другими конструкциями сооружения. Закладные детали МН монтируются до бетонирования, они обеспечивают стяжку каркасов строительных блоков. Используются в современном строительстве. Изделие по форме имеет линейную конструкцию. К верхней металлической планке приварены арматурные штыри в один ряд. На нижних торцах анкеров приварены металлические пластины.
Изготавливаются детали из разных типов металлопроката в зависимости от требований к их прочности. Плоские элементы свариваются с анкерными стержнями, которые изготавливаются из арматурной стали. Анкерный стержень может располагаться под наклоном, параллельно, перпендикулярно. Это позволяет выпускать детали, с разными размерами и конфигурацией. Закладные детали МН изготавливаются из разных марок стали (профильный или листовой прокат, арматурные стержни). Поверхность обрабатывается антикоррозийным составом (лакокрасочным, оцинковкой, хромированием). По желанию заказчика возможно нанесение маркировки на изделия.
Наша компания специализируется на изготовлении деталей МН. Условия, которые мы предоставляем для наших клиентов – лучшие на рынке строительного оборудования! Низкие цены и короткие сроки изготовления. Обратившись к нам, вы сэкономите ваши деньги и время!
Перечень изготавливаемых закладных изделий МН:
Изделие закладное МН 163 включает следующие исполнения:
- закладные детали МН 163-1 (исполнение 1.400-15.В1.190)
- закладные детали МН 163-2 (исполнение 1.400-15.В1.190-01)
- закладные детали МН 163-3 (исполнение 1.400-15.В1.190-02)
- закладные детали МН 163-4 (исполнение 1.400-15.В1.190-03)
- закладные детали МН 163-5 (исполнение 1.400-15.В1.190-04)
- закладные детали МН 163-6 (исполнение 1.400-15.В1.190-05)
Изделие закладное МН 164 включает следующие исполнения:
- закладные детали МН 164-1 (исполнение 1.400-15.В1.190-06)
- закладные детали МН 164-2 (исполнение 1.400-15.В1.190-07)
- закладные детали МН 164-3 (исполнение 1.400-15.В1.190-08)
- закладные детали МН 164-4 (исполнение 1.400-15.В1.190-09)
- закладные детали МН 164-5 (исполнение 1.400-15.В1.190-10)
- закладные детали МН 164-6 (исполнение 1.400-15.В1.190-11)
Все изготавливаемые изделия проходят контроль на всех этапах производства. Вся готовая продукция покрывается несколькими слоями защитного покрытия. Продукция отгружается в комплекте с паспортом качества и сертификатом на весь используемый металл при изготовлении.
Наше производство находится в Санкт-Петербурге. Если вы из Санкт-Петербурга, вы можете самостоятельно забрать готовую продукцию с нашего склада. Если вы из другого города или региона, мы бесплатно доставим ваш товар до терминала транспортной компании. Отправляем в любой город страны! Наша компания работает со всеми крупными строительными компаниями страны! Приглашаем к сотрудничеству строительные и монтажные организации!
Закладное изделие МН 163, МН 164 Серия 1.400-15
.jpg)
|
Изделие закладное |
Марка |
Обозначение |
Масса, кг |
|||||
|
δ |
d |
L |
C |
δ |
||||
|
МН163-МН164 |
МН163-1 |
1.400-15.В1.180 |
8 |
12AIII |
470 |
- |
- |
20,1 |
|
МН163-2 |
1.400-15.В1.180-01 |
8 |
12AIII |
370 |
- |
- |
19,1 |
|
|
МН163-3 |
1.400-15.В1.180-02 |
8 |
12AIII |
270 |
- |
- |
18 |
|
|
МН163-4 |
1.400-15.В1.180-03 |
8 |
12AIII |
470 |
50 |
10 |
22,5 |
|
|
МН163-5 |
1.400-15.В1.180-04 |
8 |
12AIII |
370 |
50 |
10 |
21,5 |
|
|
МН163-6 |
1.400-15.В1.180-05 |
8 |
12AIII |
170 |
50 |
10 |
19,3 |
|
|
МН164-1 |
1.400-15.В1.180-06 |
12 |
16AIII |
620 |
- |
- |
34,4 |
|
|
МН164-2 |
1.400-15.В1.180-07 |
12 |
16AIII |
460 |
- |
- |
31,4 |
|
|
МН164-3 |
1.400-15.В1.180-08 |
12 |
16AIII |
370 |
- |
- |
29,7 |
|
|
МН164-4 |
1.400-15.В1.180-09 |
12 |
16AIII |
620 |
60 |
12 |
38,5 |
|
|
МН164-5 |
1.400-15.В1.180-10 |
12 |
16AIII |
460 |
60 |
12 |
35,5 |
|
|
МН164-6 |
1.400-15.В1.180-11 |
12 |
16AIII |
210 |
60 |
12 |
30,7 |
|

Мы находимся в 10 минутах от КАД в пос. Металлострой. Наш склад работает с 9:00 до 16:00, с понедельника по пятницу. Получение товара из наличия (сальники набивные) возможно в течение часа.
Наши партнеры по доставке - ГрузовичкоФ и ТаксовичкоФ. Возможность ускоренной отгрузки небольших партий легковым автомобилем. Доставку осуществляем с 9:00 до 18:00 по будням

Ежедневно ТК ПЭК осуществляет забор продукции с нашего склада. Отправка в любой город, или населенный пункт России. Получение товара как на терминале, так и с доставкой до адреса. Возможна отгрузка другими ТК по запросу.

ТПО «Аверс» - лидер на рынке нестандартного оборудования для нефтегазового сектора. Штат профессионалов – залог успешной работы в течение 10 лет на рынке оборудования.

Наше предприятие располагает собственным автопарком. Специалисты отдела логистики в кратчайшие сроки произведут отгрузку продукции клиентам как из Санкт-Петербурга, так и из других городов.

Сопровождение заказа с момента поступления заявки до отгрузки продукции. Наши специалисты проконсультируют Вас при выборе оборудования и ответят на Ваши вопросы.